One of the biggest problems encountered when engaged in QSO with QRP stations is the weak signal strengths encountered. QRM and adjacent "QRO" stations can completely obliterate the weaker stations making them impossible to copy. But there is another "trick" we can use to "fish" the weaker stations out of the noise. Use our own sense of STEREO hearing.

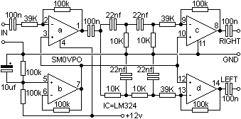
The circuit given forms a buffer/amplifier & two simple audio filters. One filter will pass the higher AF frequencies, and the other filter will pass the lower frequencies. If these two AF signals are fed into stereo headphones or a domestic stereo amplifier (AUX input) then the received audio spectrum will be presented as a stereo image, with the LOW frequencies to the LEFT and HIGH frequencies to the RIGHT. Signals around 800Hz will be present in the CENTER of the stereo image, thus separating them from the QRM apearing elsewhere.
The unit described will operate from 6 to 18 volts D.C., and only draws a few milli-amperes. It is recomended that there be some form of supply decoupling if the unit is to be operated from the same supply as the radio receiver. A 470uf capacitor accross the unit supply, and fed via a 100 ohm resistor from the radio +ve supply will be more than adequate.
It is important the receiving system is not overloaded (or distorted), in any way as the resultant A.F. harmonics will place interfering signals in several physical positions within the stereo image. Use of the RF GAIN control will help to reduce this. If distortion occurs within the unit, this is probably because OP-AMPS often suffer from "CROSSOVER DISTORTION" when operated in the linear mode. This is cured by placing a resistor between the O/P of the OPAMP and one supply rail. 5 to 10K should be used for signal amplifier stages, but 560 to 1K may be used for the output stages if driving headphones. This makes ONE of the output devices, within the I.C. draw current thereby converting it from a PUSH-PULL to a CLASS A amplifying stage. This cure is seldom required, but you should be aware of it.
Have fun, de HARRY, Upplands Vasby, Sweden
I am very grateful to Harry, SM0VPO for giving me permission to use his circuits and ideas. He can be reached by Email at harold.lythall@era.ericsson.se
Frank, G3YCC.